|
|
|
- Fontele nodulare se folosesc la fabricarea organelor de masini supuse la oboseala, la uzare si la socuri puternice, cum sunt: roti dintate, piese pentru motoare si masini agricole, corpuri si capace de prese hidraulice, corpuri pentru ciocane de forja, etc.
- Fontele cu grafit nodular se utilizeaza din ce in ce mai des la constructia de arbori de motoare, chiulase, piese pentru laminoare, prese, pompe si piese pentru tractoare, masini electrice.
- In STAS sunt prezentate marcile de fonte cu grafit nodular: Fgn 350-22, 400-12, 450-5, 500-7, 600-2, 700-2, 800-2, 900-2.
- Asadar fontele cu grafit nodular sunt utilizate in industrie pe scara foarte larga, avand proprietati mecanice deosebite.
Material |
SR EN 1563:1999 |
STAS 6071-82 |
Rezistenta la tractiune [N/mm²] |
Duritatea Brinell [HB] |
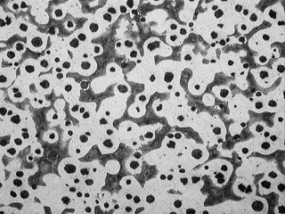
Micro-stuctura |
Ductile Iron/ Fonta cu grafit nodular |
EN-GJS-350-22 |
Fgn 350-22 |
350 |
<160 |
Feritica |
Ductile Iron/ Fonta cu grafit nodular |
EN-GJS-400-18 |
Fgn 400-18 |
400 |
130-180 |
Feritica |
Ductile Iron/ Fonta cu grafit nodular |
EN-GJS-450-10 |
Fgn 450-10 |
450 |
160-210 |
Perlita+F |
Ductile Iron/ Fonta cu grafit nodular |
EN-GJS-500-7 |
Fgn 500-7 |
500 |
170-230 |
P+F |
Ductile Iron/ Fonta cu grafit nodular |
EN-GJS-600-3 |
Fgn 600-3 |
600 |
190-270 |
P |
Ductile Iron/ Fonta cu grafit nodular |
EN-GJS-700-2 |
Fgn 700-2 |
700 |
225-270 |
P |
Ductile Iron/ Fonta cu grafit nodular |
EN-GJS-800-2 |
Fgn 800-2 |
800 |
245-335 |
P |
Ductile Iron/ Fonta cu grafit nodular |
EN-GJS-900-2 |
Fgn 900-2 |
900 |
270-360 |
P |
- Fontele EN-GJS-350, EN-GJS-400 sunt caracterizate printr-o structura feritica si un continut scazut in elemente perlitizante (Mn, P, Cr, Sn, etc.)
- Fontele EN-GJS-450, EN-GJS-500 sunt fonte cu plasticitate medie, caracterizate printr-o structura ferito-perlitica si rezistenta relativ mica.
- Fontele EN-GJS-600, EN-GJS-700, EN-GJS-800, EN-GJS-900 sunt fonte cu rezistenta mare la tractiune cu structura perlitica sau aciculara (bainito-martensitica).
⇐ Go Back| |